Compression Load Cells

Compression Load Cells

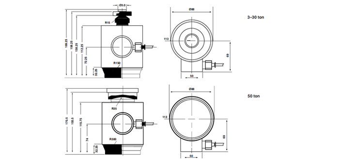
High Capacity Compression Load Cell - Model 120 Features:

  • Capacities 3 - 50 ton
  • Stainless steel housing
  • Surge arrestors fitted
  • Simple to install
  • 0.02% total error
  • 6 wire sense circuit
  • Output tolerance 0.1%
  •  

Optional Feature:

  • EEx ia IIC T4 - hazardous area approval.

Description:

Model 120 is a high capacity truck scale and silo load cell which is supplied complete with its own unique rocker mounting components.Suitable for all heavy duty weighing applications the 120 gives the user high accuracy and low installation cost.

The 120 has a stainless steel housing to protect against corrosion. The alloy steel compression element is nickel plated, and the rocker mounting accessories are zinc plated alloy steel. The two additional sense wires feedback the voltage reaching the load cell. Complete compensation of change in lead resistance due to temperature change and/or cable extension, is achieved by feeding this voltage into the appropriate electronics.


Applications:

  • Truck weighbridges
  • Silo and hopper weighing
  • Train “rail” scales
  • Process weighing

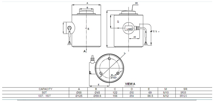
Outline Dimensions in mm

Heavy Duty Compression Load Cell - Model 122 Features:

  • Capacities 50 - 150 ton
  • 6 Wire (sense) circuit
  • Ideal for multi-cell applications
  • Compact, economical, column design
  • Hermetically sealed to IP68
  • Stainless steel housing as standard
  •  

Applications:

  • Hopper and tank weighing
  • Truck weighbridges

 

Description:

Model 122 is a heavy duty general purpose compression load cell particularly well suited for hopper and tank weighing and many other large scale industrial applications, including weighbridges for truck weighing.

The simple, compact column design and rugged hermetically sealed construction of the model 122 load cell assures its long term life in all types of field installations.

The model 122 load cell is often used in multi-cell installations, therefore its standard output tolerance is within 0.1%. The two additional sense wires feedback the voltage reaching the load cell. Complete compensation of changes in lead resistance due to temperature change and/or cable extension, is achieved by feeding this voltage into the appropriate electronics.


Outline Dimensions in mm

Midas Autosoft is the perfect Engineering Solutions Provider for your next project!